在高温和长时间反应下,某些材料必须用硅烷偶联剂改性
配备加热定时装置,可以控制修改温度和时间。
可选的陶瓷衬里无金属污染,特别适合石英粉的表面改性。
我们以最小的涂料和成本实现较高的覆盖率或修饰率
在聚合物材料,复合材料(例如塑料,橡胶,粘合剂等)中,必须将非金属粉末用作填料,以增强其与基体的相容性,分散性,机械强度和整体性能。
所述改性剂可以选自硬脂酸或偶联剂(钛酸酯偶联剂,铝酸酯偶联剂,磷酸盐偶联剂等)。
广泛的应用,可以对各种无机矿物粉末达到理想的活化效果。
通过稀释,乳化和喷雾增加改性剂的分散性。
浏览次数:1次
在高温和长时间反应下,某些材料必须用硅烷偶联剂改性
配备加热定时装置,可以控制修改温度和时间。
可选的陶瓷衬里无金属污染,特别适合石英粉的表面改性。
我们以最小的涂料和成本实现较高的覆盖率或修饰率
在聚合物材料,复合材料(例如塑料,橡胶,粘合剂等)中,必须将非金属粉末用作填料,以增强其与基体的相容性,分散性,机械强度和整体性能。
所述改性剂可以选自硬脂酸或偶联剂(钛酸酯偶联剂,铝酸酯偶联剂,磷酸盐偶联剂等)。
广泛的应用,可以对各种无机矿物粉末达到理想的活化效果。
通过稀释,乳化和喷雾增加改性剂的分散性。
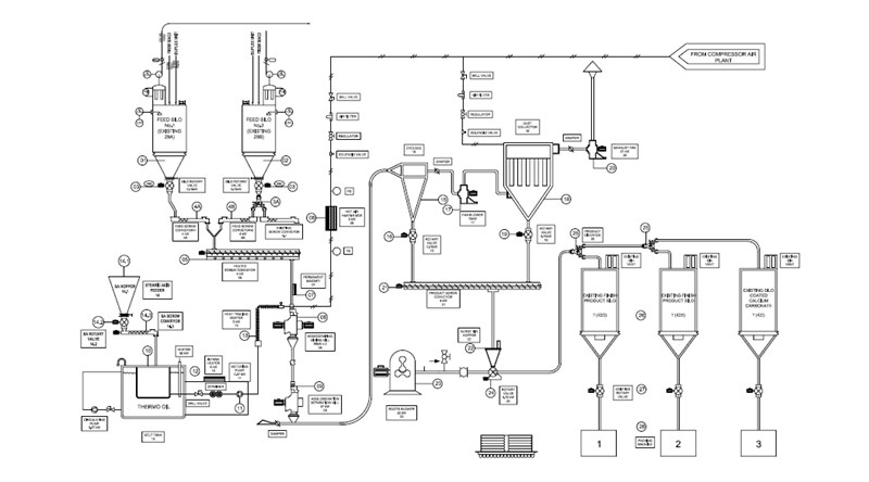
将要改性的材料送入涂覆机中,在此处将材料混合,分散,然后通过定量泵喷涂的雾化改性剂进行涂覆,然后将粉末均匀,完全地涂覆。
调节系统温度和时间的控制不仅要满足技术条件下对涂层机理或改性剂的要求,而且还要保证涂层的充分性。
通过均匀进料并与改性剂的定量进料配合,确保材料涂层的充分性
结合附件(解聚机或分级机),将大大提高产品质量。
改性后,粉末具有多种功能,例如分散,降低粘度,填充,界面力学。
整个系统易于操作,自动化程度高,效率高,成本低。
基于材料特性和产品用途的粉末表面改性的个性化解决方案
产品特点:间歇式批次工作 适于硅烷类等助剂对改性温度高,反应时间长的物料改性 带有加热和定时装置,改性温度和时间可控 内衬可采用陶瓷材料,零金属污染
适用物料:广泛的应用,可以对各种无机矿物粉末达到理想的活化效果
